Focus on manufacturing various types of brakes
Having been deeply involved in the industry for thirty years, we provide you with various types of brake and friction plate products
SERVICEFocus on manufacturing various types of brakes
Having been deeply involved in the industry for thirty years, we provide you with various types of brake and friction plate products
SERVICEFocus on manufacturing various types of brakes
Having been deeply involved in the industry for thirty years, we provide you with various types of brake and friction plate products
SERVICEFocus on manufacturing various types of brakes
Having been deeply involved in the industry for thirty years, we provide you with various types of brake and friction plate products
SERVICEFocus on manufacturing various types of brakes
Having been deeply involved in the industry for thirty years, we provide you with various types of brake and friction plate products
SERVICE
YWZ8, YWP series electric hydraulic drum brake
LINRUI BRAKE
TIME:2023-06-15
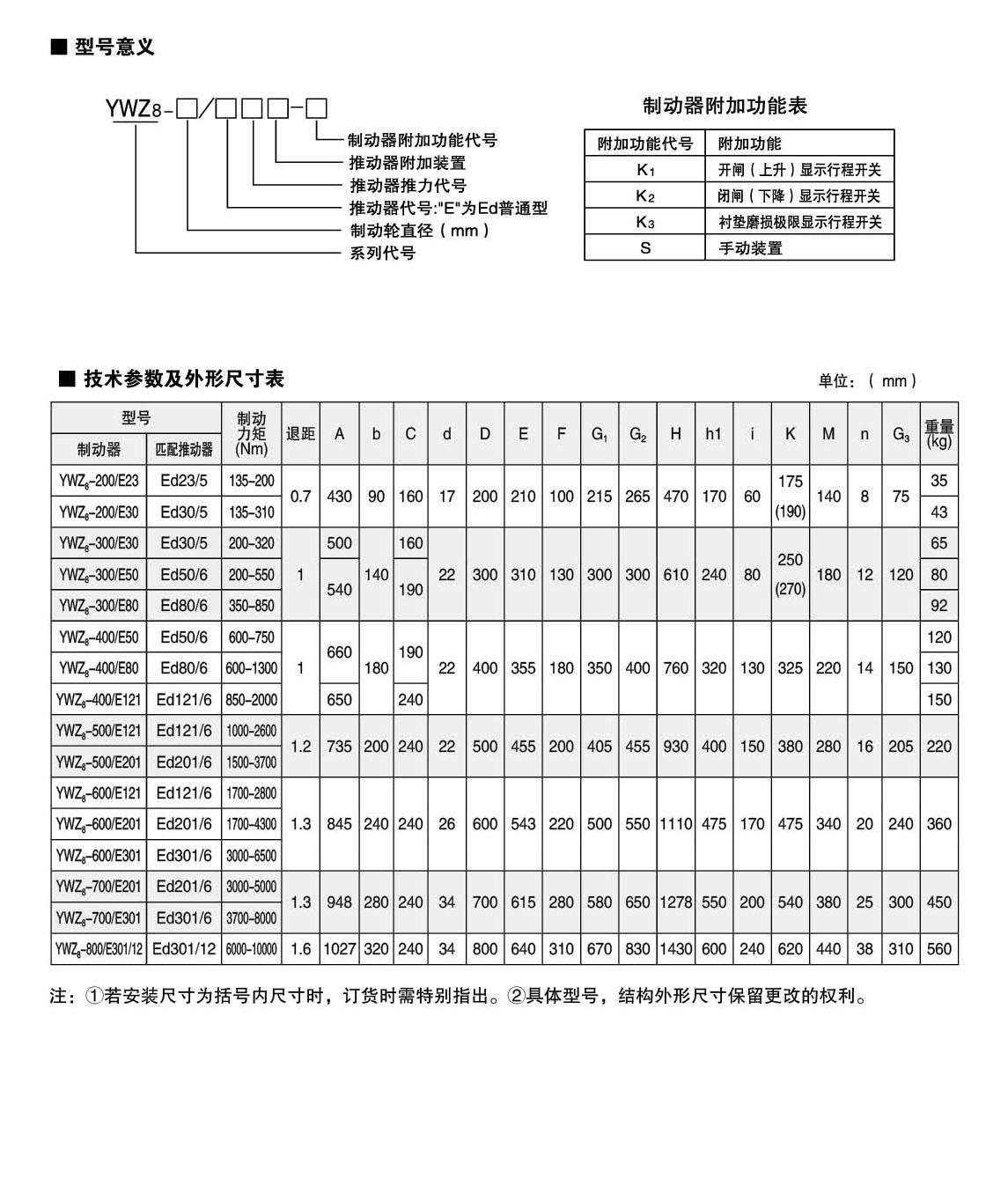
INTRODUCTION:Application:YWZ8, YWP series electric hydraulic drum brakes are widely used for deceleration and parking (maintenance) braking of various mechanisms in lifting and transportation, belt transportation, port loading and unloading, metallurgy, and construction machinery with explosion-proof requirements.Compliance with standards:The connection dimensions and braking torque parameters of YWZ8.YWP series electric hydraulic drum brakes comply with JB/ZQ4388-86 and GB6333-86 (with A series) standards, and the technical requirements comply with JB/T6406-2006 standards. They are matched with Ed series thrusters that comply with DIN15430 standards.Main features:▲ Interlocking type equal clearance device and automatic tile positioning device can always maintain equal clearance of both sides of the tile without adjustment, completely avoiding the phenomenon of one side of the brake pad floating against the brake wheel due to uneven clearance;The main swing hinge points are equipped with self-lubricating bearings, which have high transmission efficiency, long service life, and do not require lubrication during use;The brake spring is arranged inside the square tube and equipped with a ruler, allowing users to easily read the braking torque value, eliminating the hassle of measurement and calculation;▲ The brake pad is a (with card slot) card mounted integral molding structure, which is very convenient and fast to replace. It is equipped with brake pads of different materials such as semi metal (asbestos free) hard and semi hard, soft (asbestos free), etc. for users to choose from;▲ Equipped with Ed series electric hydraulic thruster products, with sensitive action and long service life;▲ Normally closed design, (power-off) spring brake, (powered on) thruster release.Working conditions:◆ Altitude:<2000m;◆ Environmental temperature: -20 ° C to+40 ° C;Relative humidity: ≤ 90%;Work schedule: intermittent (S3-60%) and continuous (S1);Power supply voltage: three-phase AC, AC380 50Hz (other power levels can be customized as needed);When there are special requirements, they should be negotiated and determined during the ordering process.Basic parameters:● Product model: YWZ8-200、YWZ8-250、YWZ8-300、YWZ8-315、YWZ8-400、YWZ8-500、YWZ8-600、YWZ8-630、YWZ8-700、YWZ8-710、YWZ8-800Applicable wheel diameter: 200-800mmBraking torque: 135-10000NmBasic Parameters:Product models: YWP-200, YWP-250, YWP-315, YWP-400, YWP-500, YWP-630, YWP-710, YWP-800Applicable wheel diameter: 200-800mmBraking torque: 80-12500Nm
CUSTOM MADE
MULTIPLE STYLES
QUALITY ASSURANCE
LIFETIME MAINTENANCE
24-Hour Hour Hotline
0391-7543530
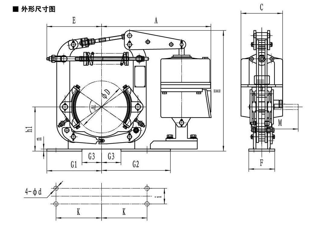
YWZ8, YWP series electric hydraulic drum brakes are widely used for deceleration and parking (maintenance) braking of various mechanisms in lifting and transportation, belt transportation, port loading and unloading, metallurgy, and construction machinery with explosion-proof requirements.
The connection dimensions and braking torque parameters of YWZ8.YWP series electric hydraulic drum brakes comply with JB/ZQ4388-86 and GB6333-86 (with A series) standards, and the technical requirements comply with JB/T6406-2006 standards. They are matched with Ed series thrusters that comply with DIN15430 standards.
▲ Interlocking type equal clearance device and automatic tile positioning device can always maintain equal clearance of both sides of the tile without adjustment, completely avoiding the phenomenon of one side of the brake pad floating against the brake wheel due to uneven clearance;
The main swing hinge points are equipped with self-lubricating bearings, which have high transmission efficiency, long service life, and do not require lubrication during use;
The brake spring is arranged inside the square tube and equipped with a ruler, allowing users to easily read the braking torque value, eliminating the hassle of measurement and calculation;
▲ The brake pad is a (with card slot) card mounted integral molding structure, which is very convenient and fast to replace. It is equipped with brake pads of different materials such as semi metal (asbestos free) hard and semi hard, soft (asbestos free), etc. for users to choose from;
▲ Equipped with Ed series electric hydraulic thruster products, with sensitive action and long service life;
▲ Normally closed design, (power-off) spring brake, (powered on) thruster release.
◆ Altitude:<2000m;
◆ Environmental temperature: -20 ° C to+40 ° C;
Relative humidity: ≤ 90%;
Work schedule: intermittent (S3-60%) and continuous (S1);
Power supply voltage: three-phase AC, AC380 50Hz (other power levels can be customized as needed);
When there are special requirements, they should be negotiated and determined during the ordering process.
● Product model: YWZ8-200、YWZ8-250、YWZ8-300、YWZ8-315、YWZ8-400、YWZ8-500、YWZ8-600、YWZ8-630、YWZ8-700、YWZ8-710、YWZ8-800
Applicable wheel diameter: 200-800mm
Braking torque: 135-10000Nm
Basic Parameters:
Product models: YWP-200, YWP-250, YWP-315, YWP-400, YWP-500, YWP-630, YWP-710, YWP-800
Applicable wheel diameter: 200-800mm
Braking torque: 80-12500Nm



R&D Capability
With our technological and research and development capabilities, we will continue to strive for higher product performance and quality, faster market response times, and stronger cost control capabilities.
A Wide Variety Of
After years of unremitting efforts and continuous innovation, from the production of conventional universal products to the development of new products, there are now over a thousand varieties of products.
Complete Equipment
The company has invested tens of millions of yuan to strengthen productivity, increase various supporting equipment production lines, improve quality, and increase output.
Service Team
The company has always adhered to the corporate culture spirit of "diligence, sincerity, and trustworthiness", winning the support and trust of customers in society and establishing a good image in various industries.
0391-7543530