Focus on manufacturing various types of brakes
Having been deeply involved in the industry for thirty years, we provide you with various types of brake and friction plate products
SERVICEFocus on manufacturing various types of brakes
Having been deeply involved in the industry for thirty years, we provide you with various types of brake and friction plate products
SERVICEFocus on manufacturing various types of brakes
Having been deeply involved in the industry for thirty years, we provide you with various types of brake and friction plate products
SERVICEFocus on manufacturing various types of brakes
Having been deeply involved in the industry for thirty years, we provide you with various types of brake and friction plate products
SERVICEFocus on manufacturing various types of brakes
Having been deeply involved in the industry for thirty years, we provide you with various types of brake and friction plate products
SERVICE
YWZ3B series electric hydraulic drum brake
LINRUI BRAKE
TIME:2023-06-15
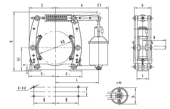
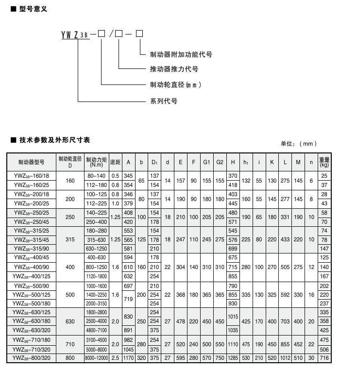
INTRODUCTION:Application:The YWZ3B series electric hydraulic drum brake is widely used for deceleration and parking (maintenance) braking of various mechanisms in lifting and transportation, belt transportation, port loading and unloading, metallurgy, and construction machinery with explosion-proof requirements.Compliance with standards:The connection dimensions and braking torque parameters of the YWZ3B series electric hydraulic drum brake comply with the GB6333-86 standard, and the technical requirements comply with the JB/T6406-2006 standard; This series replaces the original YWZ3 series brake.Main features:▲ Equipped with card brake pads for easy and quick replacement during production;The main swing hinge points are equipped with self-lubricating bearings, which have high transmission efficiency, long service life, and do not require lubrication during use;▲ Adopting YT1 series electric hydraulic thruster thruster;▲ Normally closed design, (power-off) spring brake, (powered on) thruster release.Working conditions:◆ Altitude:<2000m;◆ Environmental temperature: -20 ° C to+40 ° C;Relative humidity: ≤ 90%;Work schedule: intermittent (S3-60%) and continuous (S1);Power supply voltage: three-phase AC, AC380 50Hz (other power levels can be customized as needed);When there are special requirements, they should be negotiated and determined during the ordering process.Basic parameters:● Product model: YWZ3B-160、YWZ3B-200、YWZ3B-250、YWZ3B-315、YWZ3B-400、YWZ3B-500、YWZ3B-630、YWZ3B-710、YWZ3B-800Applicable wheel diameter: 160-800mmBraking torque: 80-12000Nm
CUSTOM MADE
MULTIPLE STYLES
QUALITY ASSURANCE
LIFETIME MAINTENANCE
24-Hour Hour Hotline
0391-7543530
The YWZ3B series electric hydraulic drum brake is widely used for deceleration and parking (maintenance) braking of various mechanisms in lifting and transportation, belt transportation, port loading and unloading, metallurgy, and construction machinery with explosion-proof requirements.
The connection dimensions and braking torque parameters of the YWZ3B series electric hydraulic drum brake comply with the GB6333-86 standard, and the technical requirements comply with the JB/T6406-2006 standard; This series replaces the original YWZ3 series brake.
▲ Equipped with card brake pads for easy and quick replacement during production;
The main swing hinge points are equipped with self-lubricating bearings, which have high transmission efficiency, long service life, and do not require lubrication during use;
▲ Adopting YT1 series electric hydraulic thruster thruster;
▲ Normally closed design, (power-off) spring brake, (powered on) thruster release.
◆ Altitude:<2000m;
◆ Environmental temperature: -20 ° C to+40 ° C;
Relative humidity: ≤ 90%;
Work schedule: intermittent (S3-60%) and continuous (S1);
Power supply voltage: three-phase AC, AC380 50Hz (other power levels can be customized as needed);
When there are special requirements, they should be negotiated and determined during the ordering process.
● Product model: YWZ3B-160、YWZ3B-200、YWZ3B-250、YWZ3B-315、YWZ3B-400、YWZ3B-500、YWZ3B-630、YWZ3B-710、YWZ3B-800
Applicable wheel diameter: 160-800mm
Braking torque: 80-12000Nm


R&D Capability
With our technological and research and development capabilities, we will continue to strive for higher product performance and quality, faster market response times, and stronger cost control capabilities.
A Wide Variety Of
After years of unremitting efforts and continuous innovation, from the production of conventional universal products to the development of new products, there are now over a thousand varieties of products.
Complete Equipment
The company has invested tens of millions of yuan to strengthen productivity, increase various supporting equipment production lines, improve quality, and increase output.
Service Team
The company has always adhered to the corporate culture spirit of "diligence, sincerity, and trustworthiness", winning the support and trust of customers in society and establishing a good image in various industries.
0391-7543530