Focus on manufacturing various types of brakes
Having been deeply involved in the industry for thirty years, we provide you with various types of brake and friction plate products
SERVICEFocus on manufacturing various types of brakes
Having been deeply involved in the industry for thirty years, we provide you with various types of brake and friction plate products
SERVICEFocus on manufacturing various types of brakes
Having been deeply involved in the industry for thirty years, we provide you with various types of brake and friction plate products
SERVICEFocus on manufacturing various types of brakes
Having been deeply involved in the industry for thirty years, we provide you with various types of brake and friction plate products
SERVICEFocus on manufacturing various types of brakes
Having been deeply involved in the industry for thirty years, we provide you with various types of brake and friction plate products
SERVICE
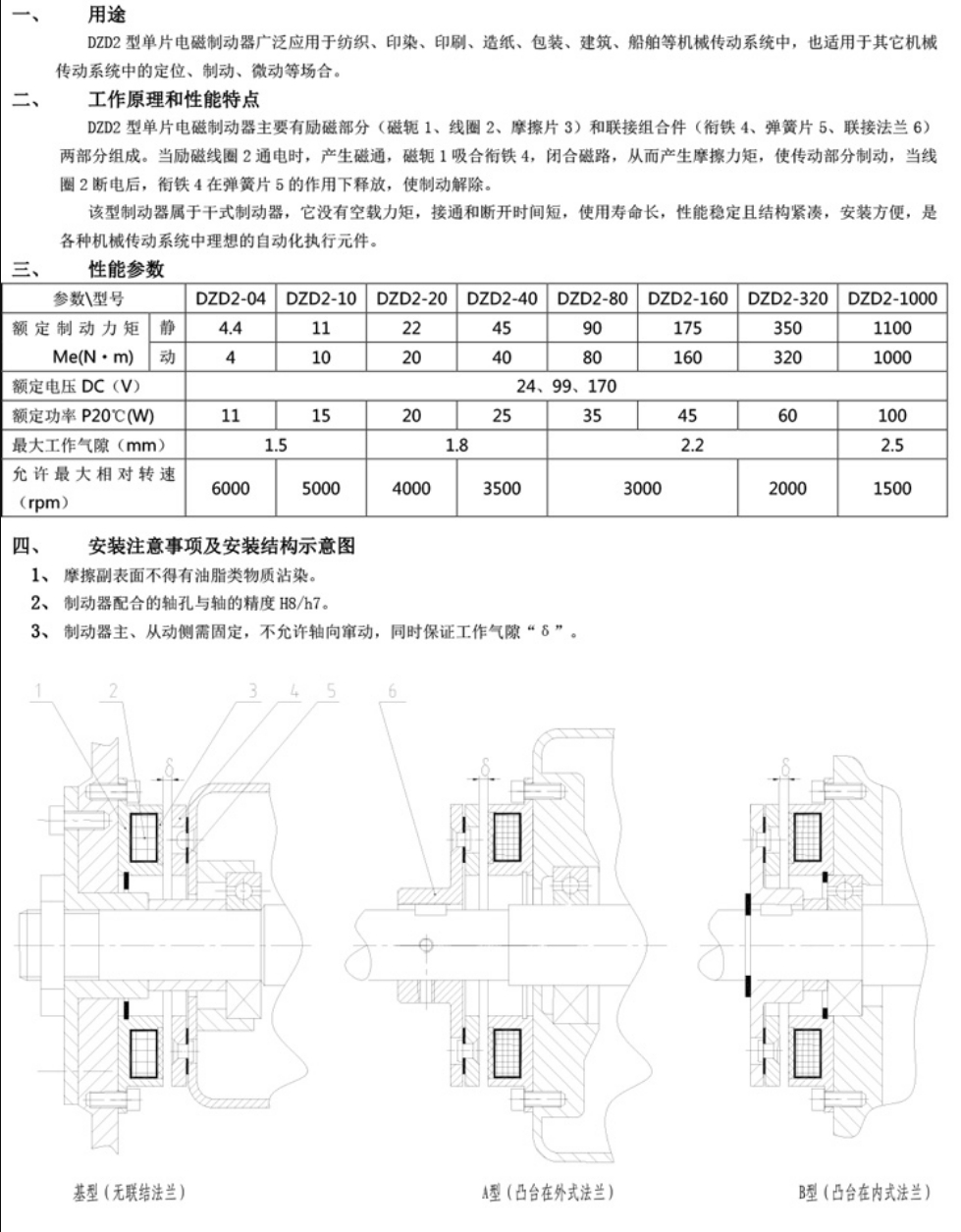
DZD2-20A Single Chip Electromagnetic Brake
LINRUI BRAKE
TIME:2024-05-18
INTRODUCTION:
CUSTOM MADE
MULTIPLE STYLES
QUALITY ASSURANCE
LIFETIME MAINTENANCE
24-Hour Hour Hotline
0391-7543530


R&D Capability
With our technological and research and development capabilities, we will continue to strive for higher product performance and quality, faster market response times, and stronger cost control capabilities.
A Wide Variety Of
After years of unremitting efforts and continuous innovation, from the production of conventional universal products to the development of new products, there are now over a thousand varieties of products.
Complete Equipment
The company has invested tens of millions of yuan to strengthen productivity, increase various supporting equipment production lines, improve quality, and increase output.
Service Team
The company has always adhered to the corporate culture spirit of "diligence, sincerity, and trustworthiness", winning the support and trust of customers in society and establishing a good image in various industries.
0391-7543530